BAP2.5[BHP2.5]
BAP2.5A0 Gear Pump

Type | Displacement | Max pressure | Max. speed | Min. speed | Dimensions | |||||
P1 | P2 | P3 | M | L | D | d | ||||
(ml/r) | bar | bar | bar | r/min | r/min | mm | mm | |||
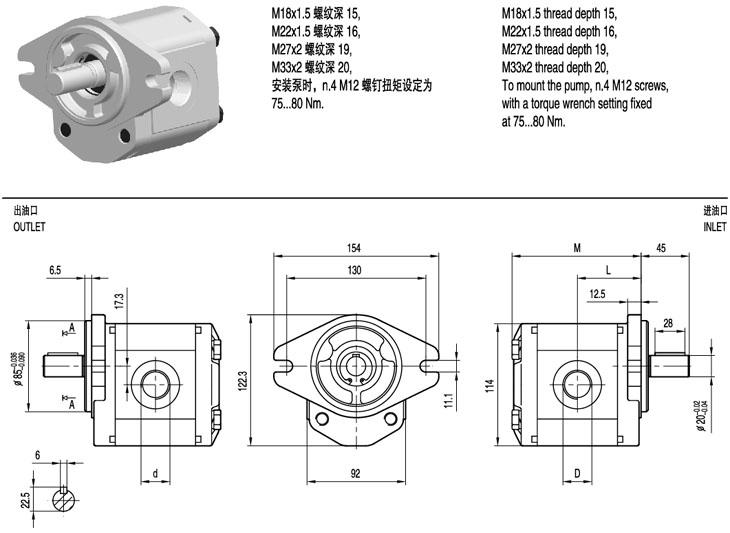
BAP2.5A0-D-10 | 10 | 250 | 270 | 290 | 4000 | 800 | 110 | 53.3 | M22x1.5 | M18x1.5 |
BAP2.5A0-D-12.5 | 12.5 | 250 | 270 | 290 | 4000 | 800 | 113 | 54.8 | M22x1.5 | M18x1.5 |
BAP2.5A0-D-14 | 14 | 250 | 270 | 290 | 4000 | 700 | 115 | 55.8 | M22x1.5 | M18x1.5 |
BAP2.5A0-D-16 | 16 | 250 | 270 | 290 | 3500 | 700 | 118 | 57.1 | M27x2 | M22x1.5 |
BAP2.5A0-D-18 | 18 | 250 | 270 | 290 | 3500 | 600 | 120 | 58.3 | M27x2 | M22x1.5 |
BAP2.5A0-D-19 | 19 | 250 | 270 | 290 | 3500 | 600 | 121 | 58.8 | M27x2 | M22x1.5 |
BAP2.5A0-D-20 | 20 | 250 | 270 | 290 | 3000 | 500 | 123 | 59.6 | M27x2 | M22x1.5 |
BAP2.5A0-D-23 | 23 | 230 | 250 | 260 | 3500 | 500 | 126 | 61.3 | M33x2 | M27x2 |
BAP2.5A0-D-25 | 25 | 230 | 250 | 260 | 3500 | 500 | 129 | 62.6 | M33x2 | M27x2 |
BAP2.5A0-D-26.5 | 26.5 | 230 | 250 | 260 | 3500 | 500 | 131 | 63.6 | M33x2 | M27x2 |
BAP2.5A0-D-28 | 28 | 230 | 250 | 260 | 3500 | 500 | 133 | 64.6 | M33x2 | M27x2 |
BAP2.5A0-D-30 | 30 | 230 | 250 | 260 | 3000 | 400 | 135 | 65.6 | M33x2 | M27x2 |
BAP2.5A0-D-32 | 32 | 200 | 230 | 250 | 3000 | 400 | 138 | 67.1 | M33x2 | M27x2 |
BAP2.5A0-D-36 | 36 | 200 | 230 | 250 | 2750 | 400 | 142 | 69.1 | M33x2 | M27x2 |
BAP2.5A0-D-40 | 40 | 160 | 180 | 200 | 2500 | 400 | 148 | 71.6 | M33x2 | M27x2 |
BAP2.5A0-D-45 | 45 | 160 | 180 | 200 | 2500 | 400 | 153 | 74.6 | M33x2 | M27x2 |
BAP2.5A1[BHP2.5A1] Gear Pump

Type | Disp. | Max pressure | Max. speed | Min. speed | Dimensions | |||||||||
P1 | P2 | P3 | M | L | A | B | D | a | b | d | ||||
(ml/r) | bar | bar | bar | r/min | r/min | mm | mm | mm | mm | mm | mm | mm | mm | |
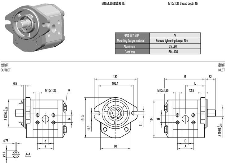
BAP2.5A1-D-10 | 10 | 250 | 270 | 290 | 4000 | 800 | 110 | 53.3 | 47.6 | 22.2 | 20 | 47.6 | 22.2 | 13 |
BAP2.5A1-D-12.5 | 12.5 | 250 | 270 | 290 | 4000 | 800 | 113 | 54.8 | 47.6 | 22.2 | 20 | 47.6 | 22.2 | 13 |
BAP2.5A1-D-14 | 14 | 250 | 270 | 290 | 4000 | 700 | 115 | 55.8 | 47.6 | 22.2 | 20 | 47.6 | 22.2 | 13 |
BAP2.5A1-D-16 | 16 | 250 | 270 | 290 | 3500 | 700 | 118 | 57.1 | 47.6 | 22.2 | 20 | 47.6 | 22.2 | 13 |
BAP2.5A1-D-18 | 18 | 250 | 270 | 290 | 3500 | 600 | 120 | 58.3 | 52.4 | 26.2 | 25 | 47.6 | 22.2 | 20 |
BAP2.5A1-D-19 | 19 | 250 | 270 | 290 | 3500 | 600 | 121 | 58.8 | 52.4 | 26.2 | 25 | 47.6 | 22.2 | 20 |
BAP2.5A1-D-20 | 20 | 250 | 270 | 290 | 3000 | 500 | 123 | 59.6 | 52.4 | 26.2 | 25 | 47.6 | 22.2 | 20 |
BAP2.5A1-D-23 | 23 | 230 | 250 | 260 | 3500 | 500 | 126 | 61.3 | 52.4 | 26.2 | 25 | 47.6 | 22.2 | 20 |
BAP2.5A1-D-25 | 25 | 230 | 250 | 260 | 3500 | 500 | 129 | 62.6 | 52.4 | 26.2 | 25 | 47.6 | 22.2 | 20 |
BAP2.5A1-D-26.5 | 26.5 | 230 | 250 | 260 | 3500 | 500 | 131 | 63.6 | 52.4 | 26.2 | 25 | 47.6 | 22.2 | 20 |
BAP2.5A1-D-28 | 28 | 230 | 250 | 260 | 3500 | 500 | 133 | 64.6 | 52.4 | 26.2 | 25 | 47.6 | 22.2 | 20 |
BAP2.5A1-D-30 | 30 | 230 | 250 | 260 | 3000 | 400 | 135 | 65.6 | 52.4 | 26.2 | 25 | 47.6 | 22.2 | 20 |
BAP2.5A1-D-32 | 32 | 200 | 230 | 250 | 3000 | 400 | 138 | 67.1 | 52.4 | 26.2 | 25 | 47.6 | 22.2 | 20 |
BAP2.5A1-D-36 | 36 | 200 | 230 | 250 | 2750 | 400 | 142 | 69.1 | 52.4 | 26.2 | 25 | 47.6 | 22.2 | 20 |
BAP2.5A1-D-40 | 40 | 160 | 180 | 200 | 2500 | 400 | 148 | 71.6 | 52.4 | 26.2 | 25 | 47.6 | 22.2 | 20 |
BAP2.5A1-D-45 | 45 | 160 | 180 | 200 | 2500 | 400 | 153 | 74.6 | 52.4 | 26.2 | 25 | 47.6 | 22.2 | 20 |
BHP2.5A2 Gear Pump

Type | Displacement | Max pressure | Max. speed | Min. speed | Dimensions | |||||
P1 | P2 | P3 | M | L | D | d | ||||
(ml/r) | bar | bar | bar | r/min | r/min | mm | mm | |||
BHP2.5A2-D-10 | 10 | 280 | 290 | 300 | 4000 | 800 | 110 | 53.3 | 1 1/16-12UNF | 7/8-14UNF |
BHP2.5A2-D-12.5 | 12.5 | 280 | 290 | 300 | 4000 | 800 | 113 | 54.8 | 1 1/16-12UNF | 7/8-14UNF |
BHP2.5A2-D-14 | 14 | 280 | 290 | 300 | 4000 | 700 | 115 | 55.8 | 1 1/16-12UNF | 7/8-14UNF |
BHP2.5A2-D-16 | 16 | 280 | 290 | 300 | 3500 | 700 | 118 | 57.1 | 1 1/16-12UNF | 7/8-14UNF |
BHP2.5A2-D-18 | 18 | 280 | 290 | 300 | 3500 | 600 | 120 | 58.3 | 1 1/16-12UNF | 7/8-14UNF |
BHP2.5A2-D-19 | 19 | 280 | 290 | 300 | 3500 | 600 | 121 | 58.8 | 1 1/16-12UNF | 7/8-14UNF |
BHP2.5A2-D-20 | 20 | 280 | 290 | 300 | 3000 | 500 | 123 | 59.6 | 1 1/16-12UNF | 7/8-14UNF |
BHP2.5A2-D-23 | 23 | 250 | 265 | 280 | 3500 | 500 | 126 | 61.3 | 1 1/16-12UNF | 7/8-14UNF |
BHP2.5A2-D-25 | 25 | 250 | 265 | 280 | 3500 | 500 | 129 | 62.6 | 1 5/16-12UNF | 1 1/16-12UNF |
BHP2.5A2-D-26.5 | 26.5 | 250 | 265 | 280 | 3500 | 500 | 131 | 63.6 | 1 5/16-12UNF | 1 1/16-12UNF |
BHP2.5A2-D-28 | 28 | 250 | 265 | 280 | 3500 | 500 | 133 | 64.6 | 1 5/16-12UNF | 1 1/16-12UNF |
BHP2.5A2-D-30 | 30 | 250 | 265 | 280 | 3000 | 400 | 135 | 65.6 | 1 5/16-12UNF | 1 1/16-12UNF |
BHP2.5A2-D-32 | 32 | 230 | 245 | 260 | 3000 | 400 | 138 | 67.1 | 1 5/16-12UNF | 1 1/16-12UNF |
BHP2.5A2-D-36 | 36 | 230 | 245 | 260 | 2750 | 400 | 142 | 69.1 | 1 5/16-12UNF | 1 1/16-12UNF |
BHP2.5A2-D-40 | 40 | 190 | 200 | 210 | 2500 | 400 | 148 | 71.6 | 1 5/16-12UNF | 1 1/16-12UNF |
BHP2.5A2-D-45 | 45 | 190 | 200 | 210 | 2500 | 400 | 153 | 74.6 | 1 5/16-12UNF | 1 1/16-12UNF |
BAP1 Selection Code
![]() | ![]() | ![]() |
| BAP2.5A0 Gear Pump | BAP2.5A1[BHP2.5A1] Gear Pump | BHP2.5A2 Gear Pump |









