BAP3.5
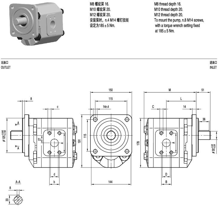
BAP3.5Q0 Gear Pump

Type | Disp. | Max pressure | Max. speed | Min. speed | Dimensions | |||||||||||
P1 | P2 | P3 | M | L | A | B | C | D | a | b | c | d | ||||
(ml/r) | bar | bar | bar | r/min | r/min | mm | mm | mm | mm | mm | mm | mm | mm | |||
BAP3.5Q0-D-40 | 40 | 250 | 265 | 280 | 2750 | 600 | 189 | 108 | 48 | 22 | M8 | 20 | 48 | 22 | M8 | 20 |
BAP3.5Q0-D-50 | 50 | 250 | 265 | 280 | 2750 | 600 | 195 | 111 | 52 | 26 | M10 | 25 | 48 | 22 | M8 | 20 |
BAP3.5Q0-D-63 | 63 | 250 | 265 | 280 | 2750 | 500 | 203 | 115 | 60 | 30 | M10 | 32 | 52 | 26 | M10 | 25 |
BAP3.5Q0-D-71 | 71 | 230 | 250 | 270 | 2500 | 500 | 208 | 117 | 70 | 36 | M12 | 35 | 60 | 30 | M10 | 32 |
BAP3.5Q0-D-80 | 80 | 230 | 250 | 270 | 2500 | 500 | 213 | 120 | 70 | 36 | M12 | 35 | 60 | 30 | M10 | 32 |
BAP3.5Q0-D-90 | 90 | 200 | 230 | 250 | 2500 | 500 | 219 | 123 | 70 | 36 | M12 | 40 | 60 | 30 | M10 | 32 |
BAP3.5Q0-D-100 | 100 | 200 | 230 | 250 | 2500 | 500 | 225 | 126 | 70 | 36 | M12 | 40 | 60 | 30 | M10 | 32 |
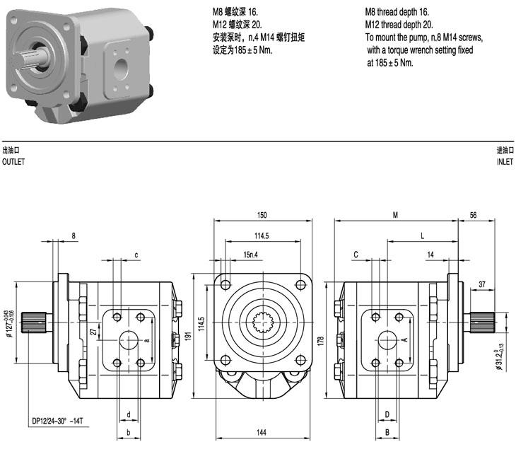
BAP3.5Q1 Gear Pump

Type | Disp. | Max pressure | Max. speed | Min. speed | Dimensions | |||||||||||
P1 | P2 | P3 | M | L | A | B | C | D | a | b | c | d | ||||
(ml/r) | bar | bar | bar | r/min | r/min | mm | mm | mm | mm | mm | mm | mm | mm | |||
BAP3.5Q1-D-40 | 40 | 250 | 265 | 280 | 2750 | 600 | 189 | 108 | 60 | 30 | M10 | 32 | 52 | 26 | M10 | 25 |
BAP3.5Q1-D-50 | 50 | 250 | 265 | 280 | 2750 | 600 | 195 | 111 | 60 | 30 | M10 | 32 | 52 | 26 | M10 | 25 |
BAP3.5Q1-D-63 | 63 | 250 | 265 | 280 | 2750 | 500 | 203 | 115 | 60 | 30 | M10 | 32 | 52 | 26 | M10 | 25 |
BAP3.5Q1-D-71 | 71 | 230 | 250 | 270 | 2500 | 500 | 208 | 117 | 70 | 36 | M12 | 35 | 60 | 30 | M10 | 32 |
BAP3.5Q1-D-80 | 80 | 230 | 250 | 270 | 2500 | 500 | 213 | 120 | 70 | 36 | M12 | 35 | 60 | 30 | M10 | 32 |
BAP3.5Q1-D-90 | 90 | 200 | 230 | 250 | 2500 | 500 | 219 | 123 | 70 | 36 | M12 | 40 | 60 | 30 | M10 | 32 |
BAP3.5Q1-D-100 | 100 | 200 | 230 | 250 | 2500 | 500 | 225 | 126 | 70 | 36 | M12 | 40 | 60 | 30 | M10 | 32 |
BAP3.5A0[BAP3.5A1] Gear Pump

Type | Disp. | Max pressure | Max. speed | Min. speed | Dimensions | |||||||||||||||
P1 | P2 | P3 | M | L | E | F | G | H | A | B | C | D | a | b | c | d | ||||
(ml/r) | bar | bar | bar | r/min | r/min | mm | mm | mm | mm | mm | mm | mm | mm | mm | mm | mm | mm | |||
BAP3.5A0-D-50 | 50 | 250 | 265 | 280 | 2750 | 600 | 171 | 87 | 80 | 8 | 160 | 200 | 60 | 30 | M10 | 32 | 52 | 26 | M8 | 25 |
BAP3.5A0-D-63 | 63 | 250 | 265 | 280 | 2750 | 500 | 179 | 91 | 80 | 8 | 160 | 200 | 60 | 30 | M10 | 32 | 52 | 26 | M8 | 25 |
BAP3.5A0-D-71 | 71 | 230 | 250 | 270 | 2500 | 500 | 184 | 93 | 80 | 8 | 160 | 200 | 60 | 36 | M12 | 35 | 60 | 36 | M10 | 28 |
BAP3.5A0-D-80 | 80 | 230 | 250 | 270 | 2500 | 500 | 189 | 96 | 80 | 8 | 160 | 200 | 60 | 36 | M12 | 35 | 60 | 36 | M10 | 28 |
BAP3.5A0-D-90 | 90 | 200 | 230 | 250 | 2500 | 500 | 195 | 99 | 80 | 8 | 160 | 200 | 60 | 36 | M12 | 40 | 60 | 36 | M10 | 32 |
BAP3.5A1-D-100 | 100 | 200 | 230 | 250 | 2500 | 500 | 201 | 102 | 127 | 6.3 | 180 | 215 | 60 | 36 | M12 | 40 | 60 | 36 | M10 | 32 |
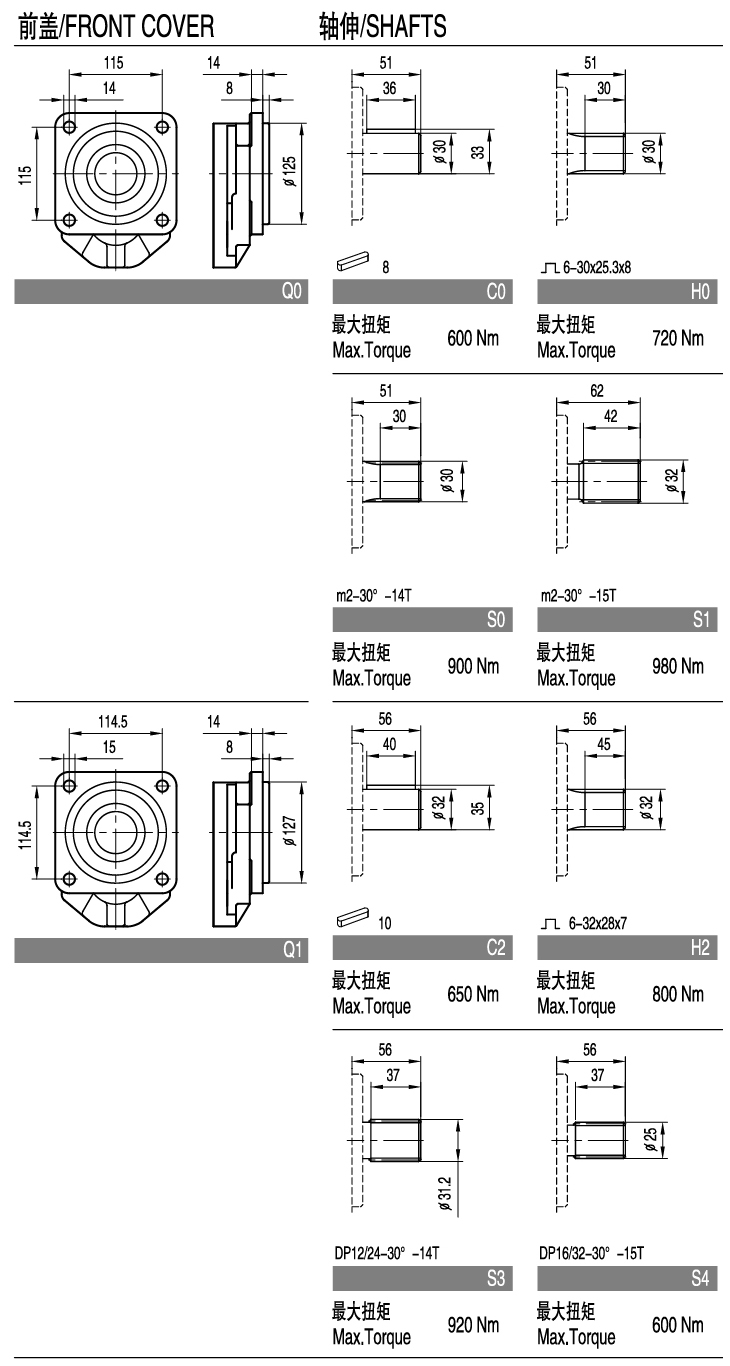
BAP3.5 Selection Code
![]() | ![]() | ![]() |
| BAP3.5Q0 Gear Pump | BAP3.5Q1 Gear Pump | BAP3.5A0[BAP3.5A1] Gear Pump |








