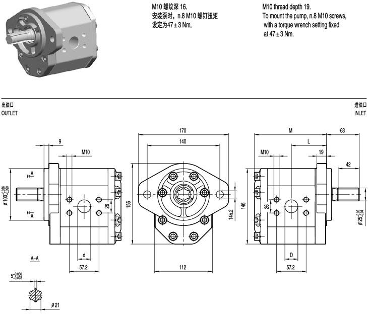
BHP3
BHP3B0 Gear Pump

Type | Disp. | Max pressure | Max. speed | Min. speed | Dimensions | ||||||||||
P1 | P2 | P3 | M | L | H | B | D | C | b | d | c | ||||
(ml/r) | bar | bar | bar | r/min | r/min | mm | mm | mm | mm | mm | mm | mm | |||
BHP3B0-D-20 | 20 | 250 | 265 | 280 | 3500 | 600 | 128 | 63 | 48 | 50 | 20 | M8 | 50 | 16.5 | M8 |
BHP3B0-D-22 | 22 | 250 | 265 | 280 | 3500 | 600 | 130 | 64 | 48 | 50 | 20 | M8 | 50 | 16.5 | M8 |
BHP3B0-D-26 | 26 | 250 | 265 | 280 | 3000 | 600 | 133 | 65 | 48 | 50 | 20 | M8 | 50 | 20 | M8 |
BHP3B0-D-33 | 33 | 230 | 250 | 270 | 3000 | 500 | 139 | 68 | 48 | 65 | 25 | M8 | 65 | 20 | M8 |
BHP3B0-D-39 | 39 | 230 | 250 | 270 | 3000 | 500 | 146 | 72 | 48 | 65 | 25 | M8 | 65 | 20 | M8 |
BHP3B0-D-46 | 46 | 230 | 250 | 270 | 3000 | 500 | 152 | 75 | 48 | 65 | 25 | M8 | 65 | 20 | M8 |
BHP3B0-D-50 | 50 | 220 | 240 | 260 | 3000 | 500 | 156 | 77 | 51 | 76 | 33 | M10 | 76 | 25 | M10 |
BHP3B0-D-52 | 52 | 220 | 240 | 260 | 3000 | 500 | 158 | 78 | 51 | 76 | 33 | M10 | 76 | 25 | M10 |
BHP3B0-D-55 | 55 | 200 | 230 | 250 | 2800 | 400 | 160 | 79 | 51 | 76 | 33 | M10 | 76 | 25 | M10 |
BHP3B0-D-63 | 63 | 200 | 230 | 250 | 2800 | 400 | 168 | 83 | 51 | 76 | 33 | M10 | 76 | 25 | M10 |
BHP3B0-D-71 | 71 | 180 | 200 | 220 | 2500 | 400 | 175 | 86 | 51 | 76 | 33 | M10 | 76 | 25 | M10 |
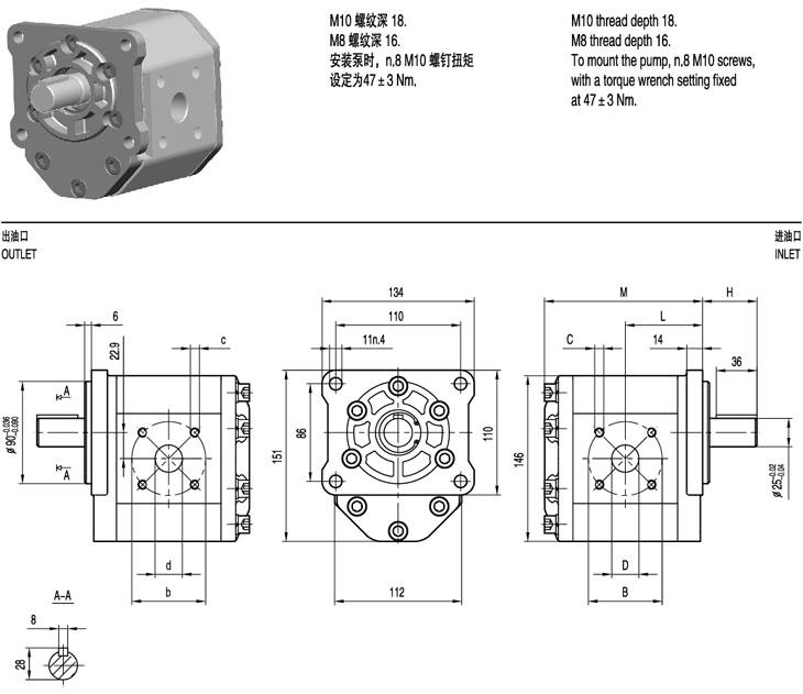
BHP3B1 Gear Pump

Type | Displacement | Max pressure | Max. speed | Min. speed | Dimensions | |||||||
P1 | P2 | P3 | M | L | B | D | b | d | ||||
(ml/r) | bar | bar | bar | r/min | r/min | mm | mm | mm | mm | mm | mm | |
BHP3B1-D-20 | 20 | 250 | 265 | 280 | 3500 | 600 | 128 | 63 | 56 | 27 | 56 | 19 |
BHP3B1-D-22 | 22 | 250 | 265 | 280 | 3500 | 600 | 130 | 64 | 56 | 27 | 56 | 19 |
BHP3B1-D-26 | 26 | 250 | 265 | 280 | 3000 | 600 | 133 | 65 | 56 | 27 | 56 | 19 |
BHP3B1-D-33 | 33 | 230 | 250 | 270 | 3000 | 500 | 139 | 68 | 56 | 27 | 56 | 19 |
BHP3B1-D-39 | 39 | 230 | 250 | 270 | 3000 | 500 | 146 | 72 | 56 | 27 | 56 | 19 |
BHP3B1-D-46 | 46 | 230 | 250 | 270 | 3000 | 500 | 152 | 75 | 51 | 27 | 51 | 27 |
BHP3B1-D-50 | 50 | 220 | 240 | 260 | 3000 | 500 | 156 | 77 | 56 | 27 | 56 | 27 |
BHP3B1-D-52 | 52 | 220 | 240 | 260 | 3000 | 500 | 158 | 78 | 56 | 27 | 56 | 27 |
BHP3B1-D-55 | 55 | 200 | 230 | 250 | 2800 | 400 | 160 | 79 | 62 | 33 | 51 | 27 |
BHP3B1-D-63 | 63 | 200 | 230 | 250 | 2800 | 400 | 168 | 83 | 62 | 33 | 51 | 27 |
BHP3B1-D-71 | 71 | 180 | 200 | 220 | 2500 | 400 | 175 | 86 | 62 | 33 | 51 | 27 |
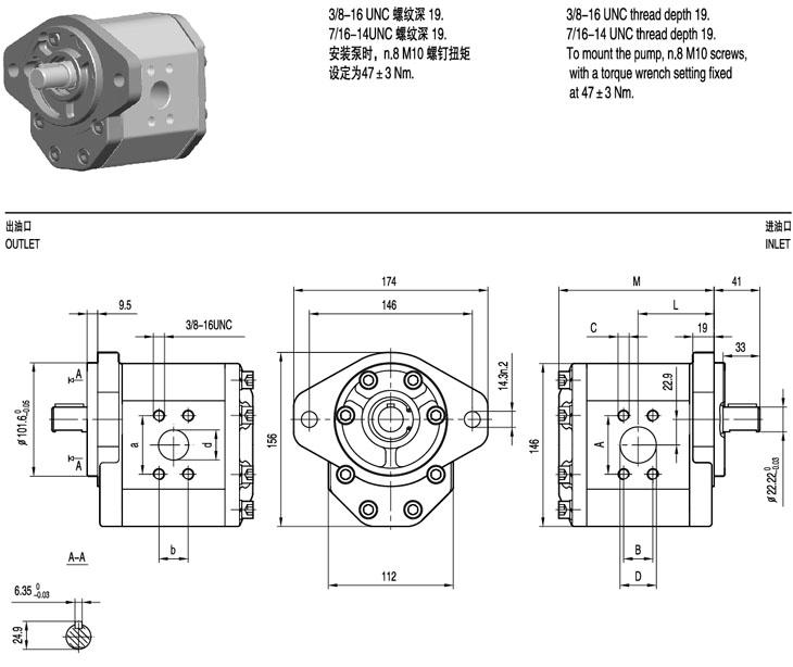
BHP3A0 Gear Pump

Type | Disp. | Max pressure | Max. speed | Min. speed | Dimensions | ||||||||||
P1 | P2 | P3 | M | L | A | B | C | D | a | d | d | ||||
(ml/r) | bar | bar | bar | r/min | r/min | mm | mm | mm | mm | mm | mm | mm | mm | mm | |
BHP3A0-D-20 | 20 | 250 | 265 | 280 | 3500 | 600 | 128 | 63 | 52.4 | 26.2 | 3/8 | 27 | 47.6 | 22.2 | 19 |
BHP3A0-D-22 | 22 | 250 | 265 | 280 | 3500 | 600 | 130 | 64 | 52.4 | 26.2 | 3/8 | 27 | 47.6 | 22.2 | 19 |
BHP3A0-D-26 | 26 | 250 | 265 | 280 | 3000 | 600 | 133 | 65 | 52.4 | 26.2 | 3/8 | 27 | 47.6 | 22.2 | 19 |
BHP3A0-D-33 | 33 | 230 | 250 | 270 | 3000 | 500 | 139 | 68 | 52.4 | 26.2 | 3/8 | 27 | 47.6 | 22.2 | 19 |
BHP3A0-D-39 | 39 | 230 | 250 | 270 | 3000 | 500 | 146 | 72 | 52.4 | 26.2 | 3/8 | 27 | 47.6 | 22.2 | 19 |
BHP3A0-D-46 | 46 | 230 | 250 | 270 | 3000 | 500 | 152 | 75 | 52.4 | 26.2 | 3/8 | 27 | 47.6 | 22.2 | 19 |
BHP3A0-D-50 | 50 | 220 | 240 | 260 | 3000 | 500 | 156 | 77 | 52.4 | 26.2 | 3/8 | 27 | 47.6 | 22.2 | 19 |
BHP3A0-D-52 | 52 | 220 | 240 | 260 | 3000 | 500 | 158 | 78 | 52.4 | 26.2 | 3/8 | 27 | 47.6 | 22.2 | 19 |
BHP3A0-D-55 | 55 | 200 | 230 | 250 | 2800 | 400 | 160 | 79 | 58.7 | 30.2 | 7/16 | 33 | 52.4 | 26.2 | 27 |
BHP3A0-D-63 | 63 | 200 | 230 | 250 | 2800 | 400 | 168 | 83 | 58.7 | 30.2 | 7/16 | 33 | 52.4 | 26.2 | 27 |
BHP3A0-D-71 | 71 | 180 | 200 | 220 | 2500 | 400 | 175 | 86 | 58.7 | 30.2 | 7/16 | 33 | 52.4 | 26.2 | 27 |
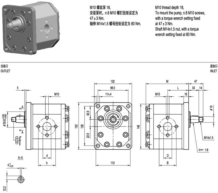
BHP3A1 Gear Pump

Type | Displacement | Max pressure | Max. speed | Min. speed | Dimensions | |||||
P1 | P2 | P3 | M | L | D | d | ||||
(ml/r) | bar | bar | bar | r/min | r/min | mm | mm | mm | mm | |
BHP3A1-D-20 | 20 | 250 | 265 | 280 | 3500 | 600 | 128 | 63 | 25 | 20 |
BHP3A1-D-25 | 25 | 250 | 265 | 280 | 3000 | 600 | 133 | 65 | 25 | 20 |
BHP3A1-D-32 | 32 | 230 | 250 | 270 | 3000 | 500 | 139 | 68 | 30 | 20 |
BHP3A1-D-40 | 40 | 230 | 250 | 270 | 3000 | 500 | 146 | 72 | 35 | 20 |
BHP3A1-D-50 | 50 | 220 | 240 | 260 | 3000 | 500 | 156 | 77 | 35 | 25 |
BHP3A1-D-63 | 63 | 200 | 230 | 250 | 2800 | 400 | 168 | 83 | 35 | 25 |
BHP3 Selection Code
![]() | ![]() | ![]() |
| BHP3B0 Gear Pump | BHP3B1 Gear Pump | BHP3A0 Gear Pump |
![]() | ||
| BHP3A1 Gear Pump |










