Hydraulic Steering Units
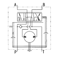
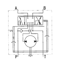
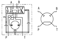
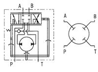
Model 101 Hydraulic Steering Control Units(SUC)

Hydraulic Steering Unit 10 series is widely used in the steering control system of different kinds of engineering vehicles, such as the steering system of many kinds of industrial and agricultural mobile machinery forklift, loader, road roller, tractor, combine harvester, and the ship helm etc. The steering unit can control the steering cylinder with bigger resistance force by inputting minor force; It’s easier, flexible and reliable; The integral check valve can prevent the system pressure oil from anti-vibration, and prevent from “hit-hand” during the steering operation; Integral pressure control valve can control the operation pressure and the shock pressure of the steering system.
Characteristic Features:
102 series SUC, which inherit the basic functionof steering system not froom besign structure but also on principle, have all the following valvefunctions incorporated with the housing of SUC:
Check valve inlet-port
Relief valve
Dual shockproof valve
Dual suction valve
This series SUC are not integrated with Blocks asusual, convenient operating. But comparing with 101 series, SCU 102-1,2,3 series have the same dimension as BZZ series on flange and ports, but different connection compared with 101 series.
Order Code:
102 | — | 囗 | — | 囗囗囗 | — | 囗 |
① | ② | ③ | ④ |
②: Function Code;
③: Displacement;
④: Ports Code.
Function Code:
102-1 |
102-2 |
102-3 |
Main Specifications:
Parameters | Type 102-*-***-* | ||||||||||
Function Code | 1,2,3 | 1,3 | |||||||||
Displacement(mL/r) | 50 | 63 | 80 | 100 | 125 | 160 | 200 | 250 | 280 | 315 | 400 |
Rated flow (L/min) | 5 | 6 | 8 | 10 | 12.5 | 16 | 20 | 25 | 28 | 32 | 40 |
Max. input pressure (MPa) | 17.5 | ||||||||||
Max. cont. back pressure (MPa) | 2.5 | ||||||||||
Weight (kg) | 5.94 | 6.0 | 6.08 | 6.18 | 6.3 | 6.5 | 6.7 | 6.9 | 7.1 | 7.29 | 7.79 |
Dimension L (mm) | 140 | 142 | 144 | 146 | 149 | 154 | 159 | 165 | 170 | 175 | 185 |
Mounting Data:
Port threads::
| Code | Ports P,T,A,B | Column Mounting C | Valve Mounting V |
| A | M20×1.5 | M10 | M12 |
| B | M20×1.5 O-ring | ||
| C | M18×1.5 | ||
| D | M18×1.5 O-ring | ||
| E | G1/2 | M10×1 | |
| U | G1/2 O-ring | ||
| G | M22×1.5 | M12 | |
| Q | M22×1.5 O-ring | ||
| M | 3/4-16UNF O-ring | ||
| F | 3/8-16 UNC | 3/8-24 UNF | |
| I | M10 | M10 | |
| N | M10×1.25 |
Model TLF1 Coaxial Flow Amplifying Steering Units
Performance Brief:
Model TLF coaxial flow amplifying steering unit is a load sensing steering control element as well as BZZ5 load sensing steering unit. Under load sensing steering system, the unit can instead of load sensing steering unit in same displacement. But as a steering control unit, steering displacement of model TLF will be changeable with input speed of steering wheel.
There are three cases between effectivedisplacement of steering unit and speed of steering wheel as following:
Effective displacement is the same volume of metereddisplacement at the low speed (range is less than 10rpm);
Effective displacement is the more and the more with speed atthe medium speed (range is between 10 rpm and 40 rpm);
Effective displacement is basic on constant volume at the highspeed (range is more than 40 rpm).
It was used in the area of industry applications of articulated vehicles, which supplies unique advantages on such steering performance. Typical applications are Loader, Graders, Haulers, Tractors as well as the small-size vehicles. While the vehicles are being driven on the road, a small input speed of the steering wheel will not overcorrect steering. While increasing input speed will produce the additional volume of steering flow, the vehicles will be required to change the direction quickly.
Model TLF1 coaxial flow amplifying steering unit is a hydrostatic steering unit with flow amplifying ability. It can be supplied by various flow suppliers, and composed various load sensing hydraulic steering systems with priority valves, crossover anticavitation relief valves and other elements, which have light operation, sensitive and smooth features, and used in large and medium loaders, bulldozers, tractors, architectural machinery, engineering machinery, lifting machinery and other off-the-highway vehicles as well as hydraulic rudder of ship. It also provides the following features:
Compact volume and light weight
Good adjusting characteristic and small pressure loss
Convenient mounting and reasonable price
Instead of load sensing steering unit in same displacement without changing construction and exchangingother elements.
Order Code:
TLF | 囗 | — | E | 囗 | 囗 | — | 囗 | 囗 |
① | ② | ③ | ④ | ⑤ | ⑥ | ⑦ |
②: 1: Intergrating combinatory valve block on the port face of steering;
③: Pressure grade 16MPa;
④: Displacement;
⑤: Mounting type:
B: SAE involute spline connection;
C: Short ringed boss, cross-block connection;
⑥: LS ports code;
⑦: Code for other requirements.
Function Code:
TLF |
Main Specifications:
Type | Displacement | Max. speed | Max. input pressure | Max. cont. back pressure | Power steering torque | Length |
TLF1–E1000 | 1000 | 60 | 16 | 1.6 | ≤5 | 199.5 |
TLF1–E1250 | 1250 | 212.5 |
Mounting Data:
LS Port Code:
Ports Code | Port LS |
omit | M12×1.5 |
1 | M12×1.5 O-ring |
3 | G1/4 |
5 | 7/16-20UNF O-ring |
6 | G1/4 O-ring |
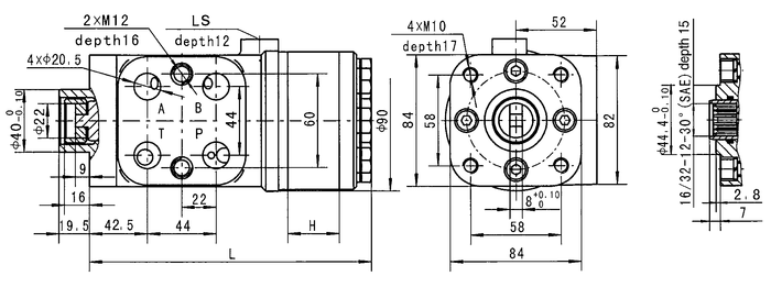
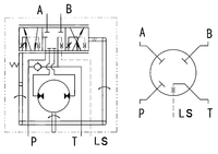
Model BZZ1/BZZ2/BZZ3 Hydraulic Steering Control Units (SCU)

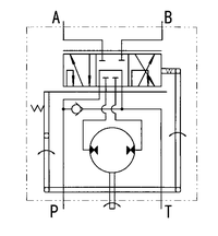
BZZ series hydraulic steering unit is consisted of one pair of rotary valve and one pair of gerotor. Via the steering column, the steering unit links the steering wheel, when the steering wheel rotates, the oil flows out of the supply pump of the steering system , through the rotary valve and the gerotor , to the cylinder’s port left or right ( depend upon the rotation direction). The gerotor supplies the oil to the steering cylinder in proportion to the angular rotation of the steering wheel. If the oil flow out of the supply pump of the steering system is too small, the steering unit can work as the manual pump.
Characteristic Features:
SCU can be used in the area of steering of vehicle and hydraulic rudder of ships where the operator can use it to control power steering force with light operating force. It is safety, reliable and smooth in the function and operation.
Model BZZ1/BZZ2/BZZ3 offer the following advantages:
Eliminate linkage-reduce cost, provide flexibility in design
Provide operator comfortable
Automatically reverts to emergency manual pump in case of engine failure
Provide continuous unlimited control circuits and meter sizes
Can work with many kinds of power steering pumps or fluid supply systems.
Order Code:
BZZ | 囗 | — | E | 囗 | 囗 | 囗 | — | 囗 | 囗 |
① | ② | ③ | ④ | ⑤ | ⑥ | ⑦ | ⑧ |
②: Function Code:
1:Open center non-reaction
2:Open center reaction
3:Closed center non-reaction
5:Load sensing
③: Pressure grade 16MPa;
④: Displacement;
⑤: Mounting Data:
A:Long spigot, cross-block mounting
B:SAE involute spline mounting
C:Short spigot, cross-block mounting;
⑥: Code for special characteristics;
⑦: Ports Code;
⑧: Code for other requirements.
Function Code:
BZZ1 |
BZZ2 |
BZZ3 |
Main Specifications:
| Type | Displacement (mL/ r) | Flow (L/min) | Max.input pressure (MPa) | Max. cont. back pressure (MPa) | Weight (kg) |
| BZZ囗 –E50 * | 50 | 4 | 16 | 2.5 | 4.72 |
| BZZ囗 –E63 * | 63 | 5 | 4.85 | ||
| BZZ囗 –E80 * | 80 | 6 | 5 | ||
| BZZ囗 –E100 * | 100 | 7.5 | 5.27 | ||
| BZZ囗 –E125 * | 125 | 9.5 | 5.43 | ||
| BZZ囗 –E160 * | 160 | 12 | 5.75 | ||
| BZZ囗 –E200 * | 200 | 15 | 6.08 | ||
| BZZ囗 –E250 * | 250 | 19 | 6.48 | ||
| BZZ囗 –E280 * | 280 | 21 | 6.78 | ||
| BZZ囗 –E315 * | 315 | 24 | 7.13 | ||
| BZZ囗 –E400 * | 400 | 30 | 7.78 | ||
| BZZ囗 –E500 * | 500 | 38 | 8.67 | ||
| BZZ囗 –E630 * | 630 | 48 | 9.72 | ||
| BZZ囗 –E800 * | 800 | 60 | 11.18 | ||
| BZZ囗 –E1000 * | 1000 | 75 | 12.8 |
Note 2: "Flow" that we suggest to use is the flow of 1.25 times as much as that at the steering wheel's rotation speed of 60 r/min. If the design of the system can't meet the requirements, the flow is allowed to be adjusted a little bit.
Mounting Data:

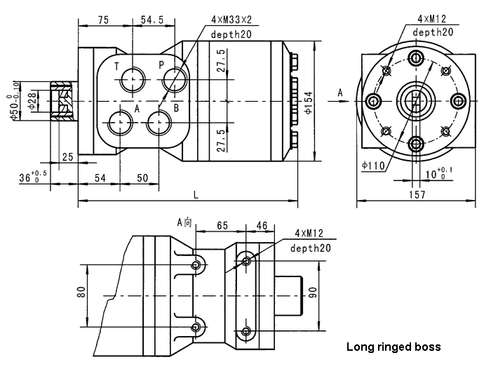
Note 1: Above is for Short ringed boss connection dimension. When dimension is 18, 25, 30.5, instead of 9,16,19.5 Long ringed boss connection is available for reference above.
Note 2: please check below for the port code.
Characteristic Code:
| Code | Definition | Remark |
| (omit) | Common Type | Fit various steering system, e.g. tractor, loader, and road roller, etc. mainly used in china. |
| D | Input torque: 1.6N·m~2.4 N·m | fit steering system of vehicles that driving on flat road, such as forklift. |
| C | Input torque: ≤1.6N·m | |
| Codes for the requirement of other performance characteristics (should be confirmed in an agreement) | e.g. manual steering, lower terminal steering feeling, noise and back-to-the-neutral-position function etc., or comprehensive requirement. | |
Port threads::
| Code | Ports P,T,A,B | Column Mounting C | Valve Mounting V |
| (omit) | M20×1.5 | M10 | M12 |
| A | M18×1.5 | M10 | M12 |
| B | G1/2 | M10 | M10×1 |
| C | 3/4-16UNF O-ring | 3/8-16UNC | 3/8-24UNF |
| D | M20×1.5 O-ring | M10 | M12 |
| E | M18×1.5 O-ring | M10 | M12 |
| G | M22×1.5 | M10 | M12 |
| Q | M22×1.5 O-ring | M10 | M12 |
| U | G1/2 O-ring | M10 | M10×1 |
| M | 3/4-16UNF O-ring | M10 | M12 |
| I | 3/4-16UNF O-ring | M10 | M10 |
| N | 3/4-16UNF O-ring | M10×1.25 | M10 |
| R | P,T:M22×1.5 | M10 | M12 |
| A,B:M18×1.5 | |||
| S | P,T:M22×1.5 O-ring | M10 | M12 |
| A,B:M18×1.5 O-ring |
Mainly refers to the appearance, paint color etc. specified by agreement; the code will be listed in the agreement.
Note 1: Ports P,T,A,B Depth : 14 mm; Column Mounting C & V Depth: 16 mm.
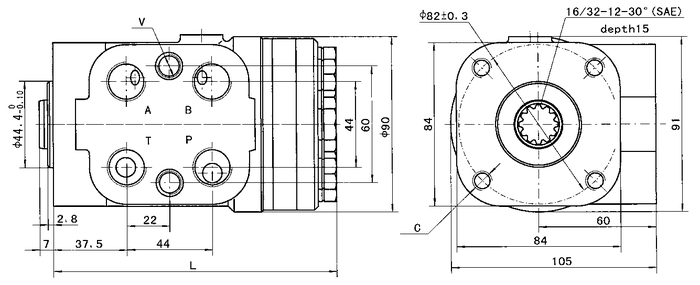
Model BZZ5 Hydraulic Steering Control Units (SCU)
BZZ series hydraulic steering unit is consisted of one pair of rotary valve and one pair of gerotor. Via the steering column, the steering unit links the steering wheel, when the steering wheel rotates, the oil flows out of the supply pump of the steering system , through the rotary valve and the gerotor , to the cylinder's port left or right ( depend upon the rotation direction). The gerotor supplies the oil to the steering cylinder in proportion to the angular rotation of the steering wheel. If the oil flow out of the supply pump of the steering system is too small, the steering unit can work as the manual pump.
Characteristic Features: Model BZZ5 load sensing steering with BZZ1/BZZ2/BZZ3 advantages, also has following features:
Provide reliable, smooth pressure compensated steering, because pressure variations in the steering circuit do not affect steering response or maximum steering rate, and the steering circuit always has flow priority. Only the flow required by the steering maneuver goes to the steering circuit. Flow not required for steering is available for use in the auxiliary circuit. Therefore power loss is decressed, system efficency is increased.
Order Code:
BZZ | 囗 | — | E | 囗 | 囗 | 囗 | — | 囗 | 囗 |
① | ② | ③ | ④ | ⑤ | ⑥ | ⑦ | ⑧ |
②: Function Code:
1:Open center non-reaction
2:Open center reaction
3:Closed center non-reaction
5:Load sensing
③: Pressure grade 16MPa;
④: Displacement;
⑤: Mounting Data:
A:Long spigot, cross-block mounting
B:SAE involute spline mounting
C:Short spigot, cross-block mounting;
⑥: Code for special characteristics;
⑦: Ports Code;
⑧: Code for other requirements
Function Code:
BZZ5 |
Main Specifications:
| Type | Displacement (mL/r) | Length L(mm) | Max. input speed (rpm) | Max. input pressure (MPa) | Max. cont. back pressure (MPa) | Max. power steering torque (N·m) |
| BZZ5–E 50* | 50 | 140 | 100 | 16 | 1.6 | ≤5 |
| BZZ5–E 63* | 63 | 141 | ||||
| BZZ5–E 80* | 80 | 142.5 | ||||
| BZZ5–E 100* | 100 | 145 | ||||
| BZZ5–E 125* | 125 | 148 | ||||
| BZZ5–E 160* | 160 | 153 | ||||
| BZZ5–E 200* | 200 | 158 | ||||
| BZZ5–E 250* | 250 | 164 | ||||
| BZZ5–E 280* | 280 | 169 | 75 | |||
| BZZ5–E 315* | 315 | 174 | ||||
| BZZ5–E 400* | 400 | 184 | ||||
| BZZ5–E 500* | 500 | 197 | 60 | |||
| BZZ5–E 630* | 630 | 216 | ||||
| BZZ5–E 800* | 800 | 236 | ||||
| BZZ5–E 1000* | 1000 | 262 |
Mounting Data:
Port threads:
| Code | Ports P,T,A,B | Column Mounting C | Valve Mounting V | Port LS |
| (omit) | M20×1.5 | M10 | M12 | M12×1.5 |
| A | M18×1.5 | M10 | M12 | M12×1.5 |
| B | G1/2 | M10 | M10×1 | G1/4 |
| C | 3/4-16UNF O-ring | 3/8-16UNC | 3/8-24UNF | 7/16-20UNF O-ring |
| D | M20×1.5 O-ring | M10 | M12 | M12×1.5 O-ring |
| E | M18×1.5 O-ring | M10 | M12 | M12×1.5 O-ring |
| G | M22×1.5 | M10 | M12 | M12×1.5 |
| Q | M22×1.5 O-ring | M10 | M12 | M12×1.5 O-ring |
| U | G1/2 O-ring | M10 | M10×1 | G1/4 O-ring |
| M | 3/4-16UNF O-ring | M10 | M12 | 7/16-20UNF O-ring |
| I | 3/4-16UNF O-ring | M10 | M10 | 7/16-20UNF O-ring |
| N | 3/4-16UNF O-ring | M10×1.25 | M10 | 7/16-20UNF O-ring |
| R | P,T:M22×1.5 | M10 | M12 | M12×1.5 |
| A,B:M18×1.5 | ||||
| S | P,T:M22×1.5 O-ring | M10 | M12 | M12×1.5 |
| A,B:M18×1.5 O-ring |
If the dimension of LS port don't comply with the specifications in the above form, add "一" after the port code and then choose LS code according to the following form:
| Ports Code | Port LS |
| 1 | M12×1.5 O-ring |
| 3 | G1/4 |
| 5 | 7/16-20UNF O-ring |
| 6 | G1/4 O-ring |
| 7 | M12×1.5 |
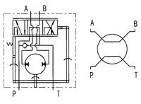
Model 102 Hydraulic Steering Control Units(SUC)

Hydraulic Steering Unit 10 series is widely used in the steering control system of different kinds of engineering vehicles, such as the steering system of many kinds of industrial and agricultural mobile machinery forklift, loader, road roller, tractor, combine harvester, and the ship helm etc. The steering unit can control the steering cylinder with bigger resistance force by inputting minor force; It’s easier, flexible and reliable; The integral check valve can prevent the system pressure oil from anti-vibration, and prevent from “hit-hand” during the steering operation; Integral pressure control valve can control the operation pressure and the shock pressure of the steering system.
Characteristic Features:
102 series SUC, which inherit the basic functionof steering system not froom besign structure but also on principle, have all the following valvefunctions incorporated with the housing of SUC:
Check valve inlet-port
Relief valve
Dual shockproof valve
Dual suction valve
This series SUC are not integrated with Blocks asusual, convenient operating. But comparing with 101 series, SCU 102-1,2,3 series have the same dimension as BZZ series on flange and ports, but different connection compared with 101 series.
Order Code:
102 | — | 囗 | — | 囗囗囗 | — | 囗 |
① | ② | ③ | ④ |
②: Function Code;
③: Displacement;
④: Ports Code.
Function Code:
102-1 |
102-2 |
102-3 |
Main Specifications:
Parameters | Type 102-*-***-* | ||||||||||
Function Code | 1,2,3 | 1,3 | |||||||||
Displacement(mL/r) | 50 | 63 | 80 | 100 | 125 | 160 | 200 | 250 | 280 | 315 | 400 |
Rated flow (L/min) | 5 | 6 | 8 | 10 | 12.5 | 16 | 20 | 25 | 28 | 32 | 40 |
Max. input pressure (MPa) | 17.5 | ||||||||||
Max. cont. back pressure (MPa) | 2.5 | ||||||||||
Weight (kg) | 5.94 | 6.0 | 6.08 | 6.18 | 6.3 | 6.5 | 6.7 | 6.9 | 7.1 | 7.29 | 7.79 |
Dimension L (mm) | 140 | 142 | 144 | 146 | 149 | 154 | 159 | 165 | 170 | 175 | 185 |
Mounting Data:
Port threads:
| Code | Ports P,T,A,B | Column Mounting C | Valve Mounting V |
| A | M20×1.5 | M10 | M12 |
| B | M20×1.5 O-ring | ||
| C | M18×1.5 | ||
| D | M18×1.5 O-ring | ||
| E | G1/2 | M10×1 | |
| U | G1/2 O-ring | ||
| G | M22×1.5 | M12 | |
| Q | M22×1.5 O-ring | ||
| M | 3/4-16UNF O-ring | ||
| F | 3/8-16 UNC | 3/8-24 UNF | |
| I | M10 | M10 | |
| N | M10×1.25 |
Note 2: The code of other ports dimensions will be listed in an agreement.









